Unsere deutschsprachige Kundenbetreuung undunser Engineering unterstütz Sie gerne direktund lokal.
Wir freuen uns auf Ihre Anfrage.
Kontaktadresse Deutschland
Telefon:+49 (0)7531 8914 993
Email:fc-de@finecables.com
Adresse:Lohnerhofstrasse 278467 Konstanz

Büro Schweiz und Kontakt Österreich
Telefon:+41 (0)71 669 17 85
Email:fc-ch@finecables.com
Adresse:Oberstrasse 48274 Tägerwile

PUSH_PULL_2023P24_1
Part No:FSG.XB.XXX.CLL
Connector series: FSG
Gender: Female
Coding: G
Locking type: Self-locking
Oreentation type: Straight
Part No.: FSG.XB.XXX.CLL
| Ambient temperature: | -55℃ ~ +200℃ |
| Connector insert: | PEEK |
| Connector contacts: | Bronze with gold plated |
| Coupling nut/screw: | Brass with nickel plated |
| Connector body: | Brass with Cr plated |
| Insulation resistance: | ≥100MΩ |
| Contact resistance: | ≤5mΩ |
| IP rating: | IP50 in locked condition |
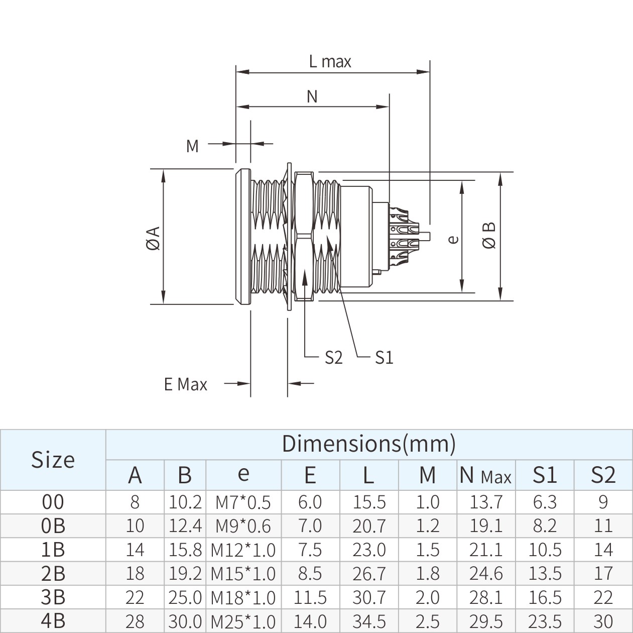
| Size | Dimensions(mm) | ||||||||
|---|---|---|---|---|---|---|---|---|---|
| A | B | e | H | L | M | S1 | S2 | S3 | |
| 00 | 8 | 10.2 | M7*0.5 | 6 | 15.5 | 1 | 13.7 | 6.3 | 9 |
| 0B | 10 | 12.4 | M9*0.6 | 7 | 20.7 | 1.2 | 19.1 | 8.2 | 11 |
| 1B | 14 | 15.8 | M12*1.0 | 7.5 | 23 | 1.5 | 21.1 | 10.5 | 14 |
| 2B | 18 | 19.2 | M15*1.0 | 8.5 | 26.7 | 1.8 | 24.6 | 13.5 | 17 |
| 3B | 22 | 25 | M18*1.0 | 11.5 | 30.7 | 2.0 | 28.1 | 16.5 | 22 |
| 4B | 28 | 30 | M25*1.0 | 14 | 34.5 | 2.5 | 29.5 | 23.5 | 30 |