Unsere deutschsprachige Kundenbetreuung undunser Engineering unterstütz Sie gerne direktund lokal.
Wir freuen uns auf Ihre Anfrage.
Kontaktadresse Deutschland
Telefon:+49 (0)7531 8914 993
Email:fc-de@finecables.com
Adresse:Lohnerhofstrasse 278467 Konstanz

Büro Schweiz und Kontakt Österreich
Telefon:+41 (0)71 669 17 85
Email:fc-ch@finecables.com
Adresse:Oberstrasse 48274 Tägerwile

PUSH_PULL_2023P23-2
Part No:PPG.XB.XXX.CLA
Connector series: PPG
Gender: Plug
Coding: G
Locking type: Self-locking
Oreentation type: Straight
Part No.: PPG.XB.XXX.CLA
| Ambient temperature: | -55℃ ~ +200℃ |
| Connector insert: | PEEK |
| Connector contacts: | Bronze with gold plated |
| Coupling nut/screw: | Brass with nickel plated |
| Connector body: | Brass with Cr plated |
| Insulation resistance: | ≥100MΩ |
| IP rating: | IP50 in locked condition |
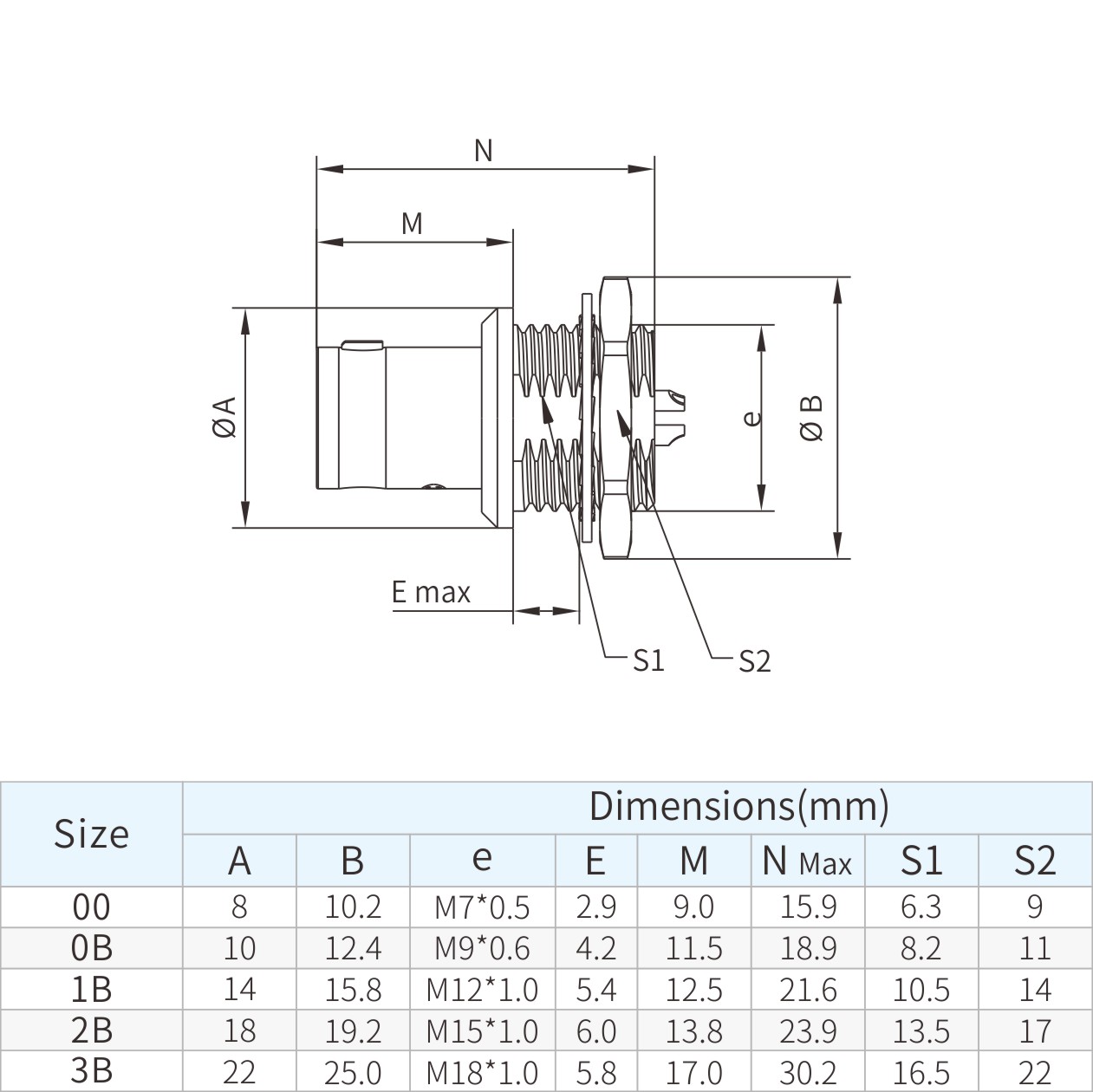
| Size | Dimensions(mm) | |||||||
|---|---|---|---|---|---|---|---|---|
| A | B | e | E | M | N Max | S1 | S2 | |
| 00 | 8 | 10.2 | M7*0.5 | 2.9 | 9.0 | 15. | 6.3 | 9 |
| 0B | 10 | 12.4 | M9*0.6 | 4.2 | 11.5 | 18.9 | 8.2 | 11 |
| 1B | 14 | 15.8 | M12*1.0 | 5.4 | 12.5 | 21.6 | 10.5 | 14 |
| 2B | 18 | 19.2 | M15*1.0 | 6.0 | 13.8 | 23.9 | 13.5 | 17 |
| 3B | 22 | 25.0 | M18*1.0 | 5.8 | 17.0 | 30.2 | 16.5 | 22 |